はりのたわみ、断面二次モーメント、柱の座屈などの材料力学計算が出来ます。
※Inventorでは重量(質量)や体積及びたわみなどは iPropertyの物理情報や構造解析で
わかりますが一般的な計算として重量計算から掲載しました。
材料力学計算 - 柱の座屈
はりのたわみ
1.条件を選択して下さい。
両端固定![]() |
両端回転![]() |
回転 - 固定![]() |
自由 - 固定![]() |
|
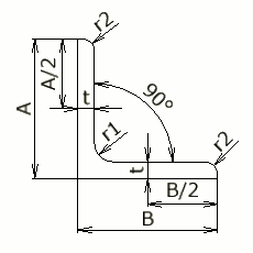
等辺山形鋼の標準断面寸法、断面積、単位質量及び断面特性 (JIS G 3192) |
||||||
![]() |
断面二次モーメント l=αi² 断面二次半径 I=√l/α 断面係数 Z=l/e (α=断面積) |
![]() |
||||
| 標準断面寸法 mm | 断面積 cm² |
単位 重量 kg/m |
参考 | ||||||||||||||
| A×B | t | r1 | r2 | 重心の位置 cm |
断面二次
モーメント cm⁴ |
断面二次半径 cm |
断面係 cm³ |
||||||||||
| Cx | Cy | Ix | Iy | 最大 Iu |
最小 Iv |
ix | iy | 最大 iu |
最小 iv |
Zx | Zy | ||||||
| 25×25 | 3 | 4 | 2 | 1.427 | 1.12 | 0.719 | 0.719 | 0.797 | 0.797 | 1.26 | 0.332 | 0.747 | 0.747 | 0.940 | 0.483 | 0.448 | 0.448 |
| 30×30 | 3 | 4 | 2 | 1.727 | 1.36 | 0.844 | 0.844 | 1.42 | 1.42 | 2.26 | 0.590 | 0.908 | 0.908 | 1.14 | 0.585 | 0.661 | 0.661 |
| 40×40 | 3 | 4.5 | 2 | 2.336 | 1.83 | 1.09 | 1.09 | 3.53 | 3.53 | 5.60 | 1.46 | 1.23 | 1.23 | 1.55 | 0.790 | 1.21 | 1.21 |
| 40×40 | 5 | 4.5 | 3 | 3.775 | 2.95 | 1.17 | 1.17 | 5.42 | 5.42 | 8.59 | 2.25 | 1.20 | 1.20 | 1.51 | 0.774 | 1.91 | 1.91 |
| 45×45 | 4 | 6.5 | 3 | 3.492 | 2.74 | 1.24 | 1.24 | 6.50 | 6.5 | 10.3 | 2.70 | 1.36 | 1.36 | 1.72 | 0.880 | 2.00 | 2.00 |
| 45×45 | 5 | 6.5 | 3 | 4.302 | 3.38 | 1.28 | 1.28 | 7.91 | 7.91 | 12.5 | 3.29 | 1.36 | 1.36 | 1.71 | 0.874 | 2.46 | 2.46 |
| 50×50 | 4 | 6.5 | 3 | 3.892 | 3.06 | 1.37 | 1.37 | 9.06 | 9.06 | 14.4 | 3.76 | 1.53 | 1.53 | 1.92 | 0.983 | 2.49 | 2.49 |
| 50×50 | 5 | 6.5 | 3 | 4.802 | 3.77 | 1.41 | 1.41 | 11.1 | 11.1 | 17.5 | 4.58 | 1.52 | 1.52 | 1.91 |
0.976 |
3.08 | 3.08 |
| 50×50 | 6 | 6.5 | 4.5 | 5.644 | 4.43 | 1.44 | 1.44 | 12.6 | 12.6 | 20.0 | 5.23 | 1.50 | 1.50 | 1.88 | 0.963 | 3.55 | 3.55 |
| 60×60 | 4 | 6.5 | 3 | 4.692 | 3.68 | 1.61 | 1.61 | 16.0 | 16.0 | 25.4 | 6.62 | 1.85 | 1.85 | 2.33 | 1.19 | 3.66 | 3.66 |
| 60×60 | 5 | 6.5 | 3 | 5.802 | 4.55 | 1.66 | 1.66 | 19.6 | 19.6 | 31.2 | 8.09 | 1.84 | 1.84 | 2.32 | 1.18 | 4.52 | 4.52 |
| 65×65 | 5 | 8.5 | 3 | 6.367 | 5.00 | 1.77 | 1.77 | 25.3 | 25.3 | 40.1 | 10.5 | 1.99 | 1.99 | 2.51 | 1.28 | 5.35 | 5.35 |
| 65×65 | 6 | 8.5 | 4 | 7.527 | 5.91 | 1.81 | 1.81 | 29.4 | 29.4 | 46.6 | 12.2 | 1.98 | 1.98 | 2.49 | 1.27 | 6.26 | 6.26 |
| 65×65 | 8 | 8.5 | 6 | 9.761 | 7.66 | 1.88 | 1.88 | 36.8 | 36.8 | 58.3 | 15.3 | 1.94 | 1.94 | 2.44 | 1.25 | 7.96 | 7.96 |
| 70×70 | 6 | 8.5 | 4 | 8.127 | 6.38 | 1.93 | 1.93 | 37.1 | 37.1 | 58.9 | 15.3 | 2.14 | 2.14 | 2.69 | 1.37 | 7.33 | 7.33 |
| 75×75 | 6 | 8.5 | 4 | 8.727 | 6.85 | 2.06 | 2.06 | 46.1 | 46.1 | 73.2 | 19.0 | 2.30 | 2.30 | 2.90 | 1.48 | 8.47 | 8.47 |
| 75×75 | 9 | 8.5 | 6 | 12.69 | 9.96 | 2.17 | 2.17 | 64.4 | 64.4 | 102 | 26.7 | 2.25 | 2.25 | 2.84 | 1.45 | 12.1 | 12.1 |
| 75×75 | 12 | 8.5 | 6 | 16.56 | 13.0 | 2.29 | 2.29 | 81.9 | 81.9 | 129 | 34.5 | 2.22 | 2.22 | 2.79 | 1.44 | 15.7 | 15.7 |
| 80×80 | 6 | 8.5 | 4 | 9.327 | 7.32 | 2.18 | 2.18 | 56.4 | 56.4 | 89.6 | 23.2 | 2.46 | 2.46 | 3.10 | 1.58 | 9.70 | 9.70 |
| 90×90 | 6 | 10 | 5 | 10.55 | 8.28 | 2.42 | 2.42 | 80.7 | 80.7 | 128 | 33.4 | 2.77 | 2.77 | 3.48 | 1.78 | 12.3 | 12.3 |
| 90×90 | 7 | 10 | 5 | 12.22 | 9.59 | 2.46 | 2.46 | 93.0 | 93.0 | 148 | 38.3 | 2.76 | 2.76 | 3.48 | 1.77 | 14.2 | 14.2 |
| 90×90 | 10 | 10 | 7 | 17.00 | 13.3 | 2.57 | 2.57 | 125 | 125 | 199 | 51.6 | 2.71 | 2.71 | 3.42 | 1.74 | 19.5 | 19.5 |
| 90×90 | 13 | 10 | 7 | 21.71 | 17.0 | 2.69 | 2.69 | 156 | 156 | 248 | 65.3 | 2.68 | 2.68 | 3.38 | 1.73 | 24.8 | 24.8 |
| 100×100 | 7 | 10 | 5 | 13.62 | 10.7 | 2.71 | 2.71 | 129 | 129 | 205 | 53.1 | 3.08 | 3.08 | 3.88 | 1.98 | 17.7 | 17.7 |
| 100×100 | 10 | 10 | 7 | 19.00 | 14.9 | 2.82 | 2.82 | 175 | 175 | 278 | 72.0 | 3.04 | 3.04 | 3.83 | 1.95 | 24.4 | 24.4 |
| 100×100 | 13 | 10 | 7 | 24.31 | 19.1 | 2.94 | 2.94 | 220 | 220 | 348 | 91.1 | 3.00 | 3.00 | 3.78 | 1.94 | 31.1 | 31.1 |
| 120×120 | 8 | 12 | 5 | 18.76 | 14.7 | 3.24 | 3.24 | 258 | 258 | 410 | 106 | 3.71 | 3.71 | 4.68 | 2.38 | 29.5 | 29.5 |
| 130×130 | 9 | 12 | 6 | 22.74 | 17.9 | 3.53 | 3.53 | 366 | 366 | 583 | 150 | 4.01 | 4.01 | 5.06 | 2.57 | 38.7 | 38.7 |
| 130×130 | 12 | 12 | 8.5 | 29.76 | 23.4 | 3.64 | 3.64 | 467 | 467 | 743 | 192 | 3.96 | 3.96 | 5.00 | 2.54 | 49.9 | 49.9 |
| 130×130 | 15 | 12 | 8.5 | 36.75 | 28.8 | 3.76 | 3.76 | 568 | 568 | 902 | 234 | 3.93 | 3.93 | 4.95 | 2.53 | 61.5 | 61.5 |
| 150×150 | 12 | 14 | 7 | 34.77 | 27.3 | 4.14 | 4.14 | 740 | 740 | 1176 | 304 | 4.61 | 4.61 | 5.82 | 2.96 | 68.1 | 68.1 |
| 150×150 | 15 | 14 | 10 | 42.74 | 33.6 | 4.24 | 4.24 | 888 | 888 | 1410 | 365 | 4.56 | 4.56 | 5.75 | 2.92 | 82.6 | 82.6 |
| 150×150 | 19 | 14 | 10 | 53.38 | 41.9 | 4.40 | 4.40 | 1090 | 1090 | 1730 | 451 | 4.52 | 4.52 | 5.69 | 2.91 | 103 | 103 |
| 175×175 | 12 | 15 | 11 | 40.52 | 31.8 | 4.73 | 4.73 | 1170 | 1170 | 1860 | 480 | 5.38 | 5.38 | 6.78 | 3.44 | 91.8 | 91.8 |
| 175×175 | 15 | 15 | 11 | 50.21 | 39.4 | 4.85 | 4.85 | 1440 | 1440 | 2290 | 589 | 5.35 | 5.35 | 6.75 | 3.42 | 114 | 114 |
| 200×200 | 15 | 17 | 12 | 57.75 | 45.3 | 5.46 | 5.46 | 2180 | 2180 | 3470 | 891 | 6.14 | 6.14 | 7.75 | 3.93 | 150 | 150 |
| 200×200 | 20 | 17 | 12 | 76.00 | 59.7 | 5.67 | 5.67 | 2820 | 2820 | 4490 | 1160 | 6.09 | 6.09 | 7.68 | 3.90 | 197 | 197 |
| 200×200 | 25 | 17 | 12 | 93.75 | 73.6 | 5.86 | 5.86 | 3420 | 3420 | 5420 | 1410 | 6.04 | 6.04 | 7.61 | 3.88 | 242 | 242 |
| 250×250 | 25 | 24 | 12 | 119.4 | 93.7 | 7.10 | 7.10 | 6950 | 6950 | 11000 | 2860 | 7.63 | 7.63 | 9.62 | 4.90 | 388 | 388 |
| 250×250 | 35 | 24 | 18 | 162.6 | 128 | 7.45 | 7.45 | 9110 | 9110 | 14400 | 3790 | 7.49 | 7.49 | 9.42 | 4.83 | 519 | 519 |






