Inventorの部屋

はりのたわみ、断面二次モーメント柱の座屈などの材料力学計算が出来ます。

※Inventorでは重量(質量)や体積及びたわみなどは iPropertyの物理情報や構造解析
   わかりますが一般的な計算として重量計算から掲載しました。

材料力学計算 - はりのたわみ

はりのたわみ

1.条件を選択して下さい。

片持ちはり
集中荷重
材料力学計算
片持ちはり
等分布荷重
材料力学計算
単純支持はり
集中荷重
材料力学計算
単純支持はり
等分布荷重
材料力学計算
両端固定はり
集中荷重
材料力学計算
両端固定はり
等分布荷重
材料力学計算

2.材質を選択して下さい。

材質 比重 その他の材質
SS400 7.85g/cm3
A5052 2.68g/cm3
SUS304 7.93g/cm3
C2801 8.44g/cm3
V10(JIS分類記号) 14.8g/cm3

3.断面形状を選択して下さい。

四角
材料力学計算
角パイプ
材料力学計算
円形
材料力学計算
丸パイプ
材料力学計算
H形鋼A
材料力学計算
H形鋼B
材料力学計算
溝形鋼A
材料力学計算
溝形鋼B
材料力学計算
山形鋼
材料力学計算

4.各値を入力後(形鋼の値は下記一覧表から寸法を選択できます)計算をクリックしてください。
     ※比重、ヤング率は材質を選択すると自動的に入力されますが、任意の値も入力できます

片持ちはり - 集中荷重

片持ちはり - 集中荷重

断面形状 H形鋼B

断面形状 H形鋼B
比重
g/cm3
N/mm2
荷重(P)
N
(  kgfをNに    
kgf )
長さ(L)
mm
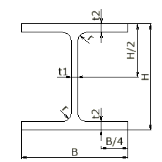
h
mm
b
mm
t1
mm
t2
mm

※r部分は無視しています

 
 
たわみ(荷重+自重) δ
mm
荷重によるたわみ δ
mm

※小数点以下4桁目は四捨五入



H形鋼の標準断面寸法、断面積、単位質量及び断面特性 (JIS G 3192)
H形鋼

断面二次モーメント l=αi²

断面二次半径 I=√l/α

断面係数 Z=l/e

(α=断面積)

H形鋼
区分
(高さ × 辺)
標準断面寸法
mm
断面積
cm²
単位質量
kg/m
断面二次モーメント
cm⁴
断面二次半径
cm
断面計数
cm³
H B t1 t2 r Ix Iy ix iy Zx Zy
100×50 100 50 5 7 8 11.85 9.30 187 14.8 3.98 1.12 37.5 5.91
100×100 100 100 6 8 8 21.59 16.9 378 134 4.18 2.49 75.6 26.7
125×60 125 60 6 8 8 16.69 13.1 409 29.1 4.95 1.32 65.5 9.1
125×125 125 125 6.5 9 8 30.00 23.6 839 293 5.29 3.13 134 46.9
150×75 150 75 5 7 8 17.85 14.0 666 49.5 6.11 1.66 88.8 13.2
150×100 148 100 6 9 8 26.35 20.7 1,000 150 6.17 2.39 135 30.1
150×150 150 150 7 10 8 39.65 31.1 1,620 563 6.40 3.77 216 75.1
175×90 175 90 5 8 8 22.90 18.0 1,210 97.5 7.26 2.06 138 21.7
175×175 175 175 7.5 11 13 51.42 40.4 2,900 984 7.50 4.37 331 112
200×100 198 99 4.5 7 8 22.69 17.8 1,540 113 8.25 2.24 156 22.9
200 100 5.5 8 8 26.67 20.9 1,810 134 8.23 2.24 181 26.7
200×150 194 150 6 9 8 38.11 29.9 2,630 507 8.30 3.65 271 67.6
200×200 200 200 8 12 13 63.53 49.9 4,720 1,600 8.62 5.02 472 160
250×125 248 124 5 8 8 31.99 25.1 3,450 255 10.4 2.82 278 41.1
250 125 6 9 8 36.97 29.0 3,960 294 10.4 2.82 317 47.0
250×175 244 175 7 11 13 55.49 43.6 6,040 984 10.4 4.21 495 112
250×250 250 250 9 14 13 91.43 71.8 10,700 3,650 10.8 6.32 860 292
300×150 298 149 5.5 8 13 40.80 32.0 6,320 442 12.4 3.29 424 59.3
300 150 6.5 9 13 46.78 36.7 7,210 508 12.4 3.29 481 67.7
300×200 294 200 8 12 13 71.05 55.8 11,100 1,600 12.5 4.75 756 160
300×300 300 300 10 15 13 118.4 93.0 20,200 6,750 13.1 7.55 1,350 450
350×175 346 174 6 9 13 52.45 41.2 11,000 791 14.5 3.88 638 91.0
350 175 7 11 13 62.91 49.4 13,500 984 14.6 3.96 771 112
350×250 340 250 9 14 13 99.53 78.1 21,200 3,650 14.6 6.05 1,250 292
350×350 350 350 12 19 13 171.9 135 39,800 13,600 15.2 8.89 2,280 776
400×200 396 199 7 11 13 71.41 65.1 19,800 1,450 16.6 4.50 999 145
400 200 8 13 13 83.37 65.4 23,500 1,740 16.8 4.56 1,170 174
400×300 390 300 10 16 13 133.2 105 37,900 7,200 16.9 7.35 1,940 480
400×400 400 400 13 21 22 218.7 172 66,600 22,400 17.5 10.1 3,330 1,120
414 405 18 28 22 295.4 232 92,800 31,000 17.7 10.2 4,480 1,530
428 407 20 35 22 360.7 283 119,000 39,400 18.2 10.4 5,570 1,930
458 417 30 50 22 528.6 415 187,000 60,500 18.8 10.7 8,170 2,900
498 432 45 70 22 770.1 605 298,000 94,400 19.7 11.1 12,000 4,370
450×200 446 199 8 12 13 82.97 65.1 28,100 1,580 18.4 4.36 1,260 159
450 200 9 14 13 95.43 74.9 32,900 1,870 18.6 4.43 1,460 187
450×300 440 300 11 18 13 153.9 121 54,700 8,110 18.9 7.26 2,490 540
500×200 496 199 9 14 13 99.29 77.9 40,800 1,840 20.3 4.31 1,650 185
500 200 10 16 13 112.2 88.2 46,800 2,140 20.4 4.36 1,870 214
500×300 482 300 11 15 13 141.2 111 58,300 6,760 20.3 6.92 2,420 450
488 300 11 18 13 159.2 125 68,900 8,110 20.8 7.14 2,820 540
600×200 596 199 10 15 13 117.8 92.5 66,600 1,980 23.8 4.10 2,240 199
600 200 11 17 13 131.7 103 75,600 2,270 24.0 4.16 2,520 227
600×300 582 300 12 17 13 169.2 133 98,900 7,660 24.2 6.73 3,400 511
588 300 12 20 13 187.2 147 114,000 9,010 24.7 6.94 3,890 601
594 302 14 23 13 217.1 170 134,000 10,600 24.8 6.98 4,500 700
700×300 692 300 13 20 18 207.5 163 168,000 9,020 28.5 6.59 4,870 601
700 300 13 24 18 231.5 182 197,000 10,800 29.2 6.83 5,640 721
800×300 792 300 14 22 18 239.5 188 248,000 9,920 32.2 6.44 6,270 661
800 300 14 26 18 263.5 207 286,000 11,700 33.0 6.67 7,160 781
900×300 890 299 15 23 18 266.9 210 339,000 10,300 35.6 6.20 7,610 687
900 300 16 28 18 305.8 240 404,000 12,600 36.4 6.43 8,990 842
912 302 18 34 18 360.1 283 491,000 15,700 36.9 6.59 10,800 1,040
918 303 19 37 18 387.4 304 535,000 17,200 37.2 6.67 11,700 1,140
3D CAD用パソコン比較